-
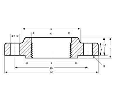
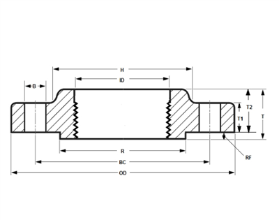
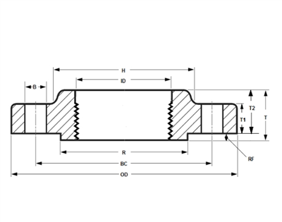
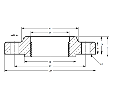
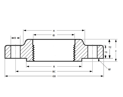
Mar 12, 2024एएसएमई बी16.5 थ्रेडेड फ्लैंज क्लास 2500 इंचथ्रेडेड क्लास 2500 थ्रेडेड फ्लैंज आयाम वर्ग 2500 इंच (एएसएमई बी16.5) एएसएमई बी16.5 थ्रेडेड फ्लैंज के लिए, आयाम नाममात्र पाइप आकार (एनपीएस) और दबाव वर्ग के आधार पर भिन्न हो सकते हैं -
Mar 12, 2024एएसएमई बी16.5 थ्रेडेड फ्लैंज क्लास 1500 इंचथ्रेडेड क्लास 1500 थ्रेडेड फ्लैंज आयाम वर्ग 1500 इंच (एएसएमई बी16.5) एएसएमई बी16.5 थ्रेडेड फ्लैंज के लिए, आयाम नाममात्र पाइप आकार (एनपीएस) और दबाव वर्ग के आधार पर भिन्न हो सकते हैं -
Mar 12, 2024एएसएमई बी16.5 थ्रेडेड फ्लैंज क्लास 900 इंचथ्रेडेड क्लास 900 थ्रेडेड फ्लैंज आयाम क्लास 900 इंच इंच (एएसएमई बी16.5) क्लास 900 थ्रेडेड फ्लैंज: नाममात्र पाइप आकार (एनपीएस): 1/2 इंच (डीएन 15) से 24 इंच (डीएन 600) और इससे बड़ा। -
Mar 12, 2024एएसएमई बी16.5 थ्रेडेड फ्लैंज क्लास 600 इंचथ्रेडेड क्लास 600 थ्रेडेड फ्लैंज आयाम क्लास 600 इंच (एएसएमई बी16.5) क्लास 600 में एएसएमई बी16.5 थ्रेडेड फ्लैंज के लिए, आयाम फ्लैंज के नाममात्र पाइप आकार (एनपीएस) के आधार पर भिन्न ह -
Mar 12, 2024एएसएमई बी16.5 थ्रेडेड फ्लैंज क्लास 400 इंच मेंएएसएमई बी16.5 थ्रेडेड फ्लैंज क्लास 400 इंच में -
Mar 12, 2024एएसएमई बी16.5 थ्रेडेड फ्लैंज क्लास 150 इंच मेंएएसएमई बी16.5 थ्रेडेड फ्लैंज क्लास 150 इंच में -
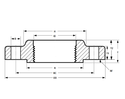
Mar 12, 2024क्लास 2500 वेल्डिंग नेक फ्लैंज के आयामASME B16.5 मानकों के अनुसार क्लास 2500 वेल्डिंग नेक फ्लैंज के अनुमानित आयाम यहां दिए गए हैं, इंच में: नाममात्र पाइप आकार (एनपीएस): 1/2 इंच (डीएन 15) से 24 इंच (डीएन 600) और इससे बड -
Mar 12, 2024क्लास 1500 वेल्डिंग नेक फ्लैंज के आयामएएसएमई बी16.5 मानकों के अनुसार क्लास 1500 वेल्ड नेक फ़्लैंज के अनुमानित आयाम यहां दिए गए हैं, इंच में: नाममात्र पाइप आकार (एनपीएस): 1/2 इंच (डीएन 15) से 24 इंच (डीएन 600) और इससे ब -
Mar 12, 2024क्लास 900 वेल्डिंग नेक फ्लैंज के आयामक्लास 900 वेल्डिंग नेक फ्लैंज आयाम एएसएमई बी16.5 मानकों का पालन करते हैं, और वे फ्लैंज के नाममात्र पाइप आकार (एनपीएस) के आधार पर भिन्न होते हैं। सामान्य आकारों के लिए क्लास 900 वेल -
Mar 12, 2024कक्षा 600 वेल्डिंग गर्दन निकला हुआ किनारा के आयामएएसएमई बी16.5 मानकों के अनुसार क्लास 600 वेल्डिंग नेक फ्लैंज आयाम, फ्लैंज के नाममात्र पाइप आकार (एनपीएस) के आधार पर भिन्न होते हैं। सामान्य आकारों के लिए क्लास 600 वेल्डिंग नेक फ्ल -
Mar 12, 2024कक्षा 400 वेल्डिंग गर्दन निकला हुआ किनारा के आयामक्लास 400 वेल्डिंग नेक फ्लैंज आयाम एएसएमई बी16.5 मानक का पालन करते हैं, और अन्य दबाव वर्गों की तरह, फ्लैंज के नाममात्र पाइप आकार (एनपीएस) के आधार पर आयाम अलग-अलग होंगे। सामान्य आका






